
欢迎访问启东富顺润滑设备有限公司网站!

一、使用条件
本产品适用于装有动静压轴承的磨机、轧钢机、电机等大型设备的稀油循环润滑系统中,手动润滑泵其工作介质为N22~N320(相当于ISO VG22~VG320)的 工业润滑油。
根据动静压润滑工作原理,在启动、低速和停车时用高压系统,正常运行时用低压系统,以保障大型机械在 不同转速运行下均能获得靠谱的润滑以延伸主机寿命。
稀油站的高压部分压力为31.5MPa,流量为2.5L/min,低压部分压力为0.4MPa;流量为16~125L/min,稀油站具有过滤、冷却、加热等装置和联锁、报警、自控等功能。
该产品的性能参数及尺寸应符合表和图中的规定;装置由油站、仪表盘、手动润滑泵电控柜(可用PLC控制)成套组成。
二、型号标注方法
如采用A系列,高压流量为2.5L/min;高压压力为31.5MPa,低压供油压力为0.4MPa;而低压供油量为40L/min的高(低)压稀油站,采用PLC控制的则按如下方法标注:GXYZ-A2.5/40.P
三、结构特点
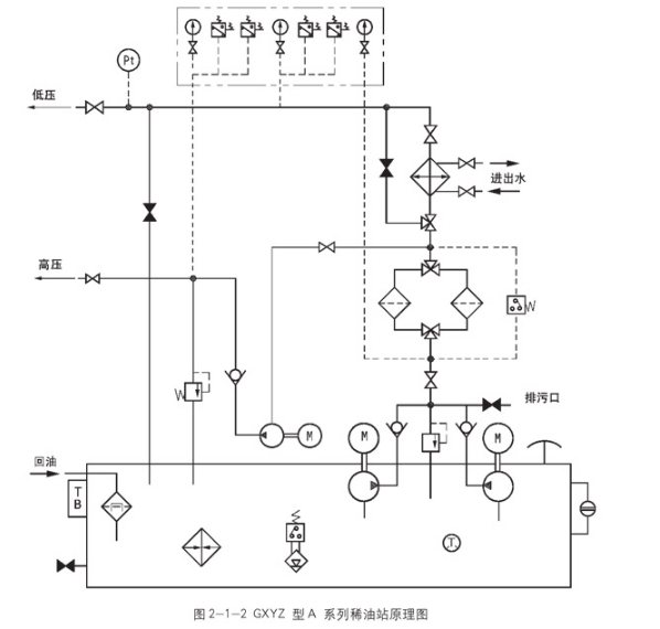
本产品主要由油箱(其内装有磁网过滤器)、低压油泵装置、高压油泵装置、双筒网片式过滤器、手动高压油泵、冷却器、管道、阀门、仪表盘及电控柜等组成。
在主机启动前,先启动低压泵,当低压供油压力正常后,启动吸口联于低压管道上的高压油泵,高压油经高压单向阀送往静压轴承,当高压达 值使主轴浮起时,主机就可启动、低速运行或停止;主机转速正常后,就可以停止高压泵(低速运行除外),但低压油泵需要正常供油;低压油泵从油箱吸油后经单向阀,双筒网式过滤器、冷却器后亦往静压轴承,维持主机正常供油;若主机停止后,尚要定时由高压泵和低压泵供油,则由时间继电器进行控制向润滑点断续供油。
高、低压力的具体数值分别由系统中的低压安全阀和高压溢流阀控制。
主机正常运行时,低压泵一台工作,一台备用,若系统压力下降到某值时,备用泵启动投入运行,达到正常压力时备用泵停止。若备用泵启动后压力仍下降到某一 低值时,就应发出报警讯号,考虑主机停车。
高压柱塞泵有故障时,可由备用手动油泵供油。
过滤器置于冷却器前,使粘度较小的油先通过过滤器,以升高过滤效果,过滤器一筒工作,一筒备用,由手动切换阀控制。
油箱油位过低过高时均由油位讯号器发讯,人工加油或停止加油。
回油油箱内设有磁网过滤器,能同时对油进行过滤和吸附油中铁质微粒。
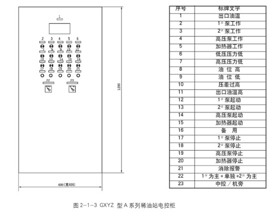
稀油站成套供货时配有仪表和电控箱,以显示运行参数和实现稀油站自控、手控或报警。
油箱上装有电接点双金属温度计,油温低时发出信号,人工接通电加热器,达到设定温度时,自动切断电加热器。
供油口装有电接点压力式温度计,根据供油温度,调 高 低二个界限,用以控制冷却器的使用与否。
四、外形尺寸
五、原理图
六、电控柜
七、仪表盘
电话: 0513-83761288
手机: 133-0146-6566
地址:启东市寅阳镇寅北路一号

扫一扫二维码
专注压力等级40MPa以下干油润滑系统及配套用各种型号规格的润滑泵、分配器、欢迎致电!