欢迎访问启东富顺润滑设备有限公司网站!

电动干油泵
您当前的位置 :首 页> 产品中心 > 稀油润滑 > 稀油润滑元件

CLQ型磁过滤器(0.1MPa)

2022-11-23
0
详细介绍:

一、使用条件

CLQ型磁过滤器适用于稀油润滑系统,它安装在稀油站回油管的末端,电动干油泵稀油润滑系统的回油经过磁过滤器流进油箱,它能滤出其它过滤器无法滤出的细小磁性杂质。经过磁过滤器的油流速度推选为0.23~0.59m/s。NR-93 磁串为磁过滤器的磁芯。

 

二、技术参数

电动干油泵


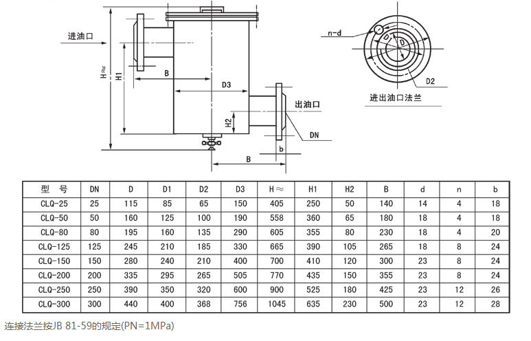
 三、外形尺寸

电动干油泵


四、标记示例

  公称通径为50mm 的磁过滤器
  CLQ-50  过滤器



 


上一篇:CLQ型磁过滤器(0.1MPa...2022-11-23

启东富顺润滑设备有限公司

电话: 0513-83761288

手机: 133-0146-6566

地址:启东市寅阳镇寅北路一号

关注我们

双线分配器

扫一扫二维码