
欢迎访问启东富顺润滑设备有限公司网站!

一、结构特点及应用范围
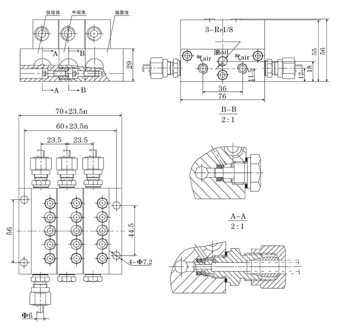
SMX*-YQ型油-气分配混合器,是由模块式的单线递进分配器和混合器组合叠加而成。设有一个进油口,二个进气口,3~16个油气出口。手动润滑泵适用于单线二分式系统和双线-递进式油气润滑系统中。
二、技术参数
三、型号说明
四、外形尺寸
五、使用要领
1、需要在规定的环境下使用规定范围内的介质。
2、压缩空气接口需要与本油气系统专属的压缩空气网络管路连接,严禁与其它来历不明的气源管路连接,以免发生意外。
3、油气分配混合器的安装位置,优先考虑安装在工况条件好,温度变化小,无腐蚀性介质影响的部位,决不允许安装在长时间受高温辐射烘烤的场合使用。
4、若需改变油气出口数,请向厂家索取说明书,按照说明书中处置方法的步骤进行处置。
电话: 0513-83761288
手机: 133-0146-6566
地址:启东市寅阳镇寅北路一号

扫一扫二维码
专注压力等级40MPa以下干油润滑系统及配套用各种型号规格的润滑泵、分配器、欢迎致电!