
欢迎访问启东富顺润滑设备有限公司网站!

一、概述
JPQ系列递进分配器是由中碳合金结构钢制造的首片、电动干油泵尾片和3~8片根据设计需要给油量和出油口数的中间体组合而成。
每个系列的中间片除该系列中给油量最小的规格(含单出油口和双出油口)以外,其他规格都有带循环指示器的型式。
二、技术参数
1、一块中间片的活塞往复一个双行程为一次循环,一台分配器的每块中间片均动作一次循环是该台分配器的一次循环,一台分配器的所有中间片在单位时间内的循环次数之和是该台分配器的动作频率。
2、工作环境温度-30~+80℃。
3、使用介质为锥入度不低于290(25℃,150g)1/10mm,过滤精度不低于100mm的润滑脂或粘度不低于17cSt,过滤精度不低于25μm的润滑油。
三、型号说明
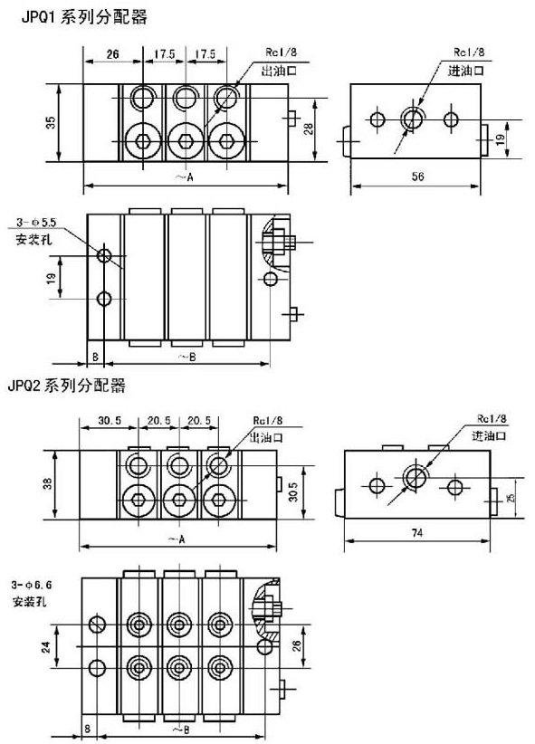
四、外形尺寸
电话: 0513-83761288
手机: 133-0146-6566
地址:启东市寅阳镇寅北路一号

扫一扫二维码
专注压力等级40MPa以下干油润滑系统及配套用各种型号规格的润滑泵、分配器、欢迎致电!