
欢迎访问启东富顺润滑设备有限公司网站!

一、概述
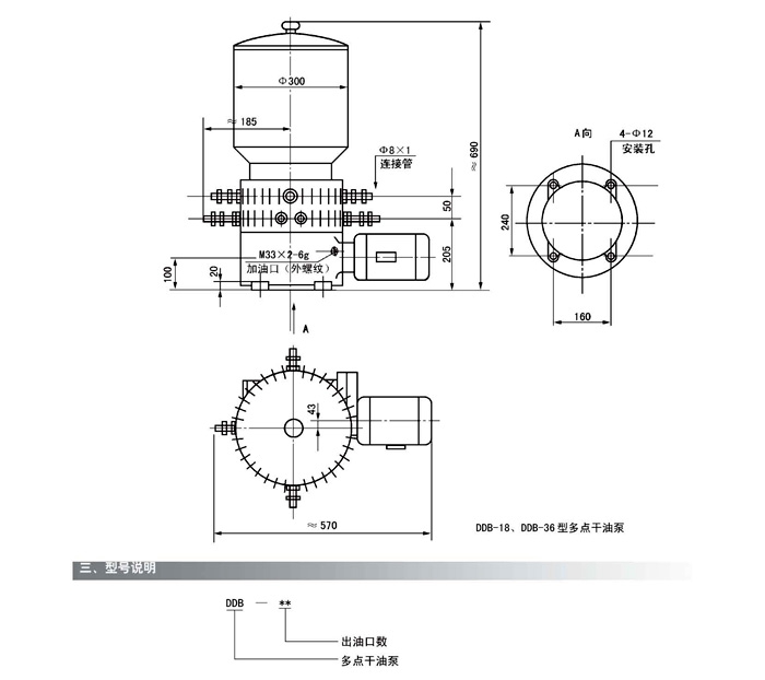
DDB系列多点干油泵适用于润滑频率低、润滑点不超过50点,公称压力为10M P a的多线干油集中润滑系统中。直接或通过单线片式给油器向各润滑点供送润滑脂的装置,适用于破碎机、锻压机床、码头行吊,印刷机等小型的单机设备。
四、使用说明
1、该系列多点干油泵应安装在环境温度合适,灰尘少,便于补脂、调整、检查、维护保养等都方便的场合。
2、DDB系列多点干油泵使用前先向一级减速箱内加入HL-20 齿轮油至油标规定液面。
3、向干油泵贮油器内补脂必须使用加油泵从贮油器电动干油泵的加油口加入,注意在贮油器内无润滑脂时严禁启动电机运转。
4、按贮油桶壁上旋向牌规定的旋向进行电机接线,不得反转。
5、加油口的过滤网精度不低于0.2mm,应定期清洗。
6、干油泵应经常保持清洁,严禁揭盖补脂以免脏物进入泵体内,影响正常工作。
电话: 0513-83761288
手机: 133-0146-6566
地址:启东市寅阳镇寅北路一号

扫一扫二维码
专注压力等级40MPa以下干油润滑系统及配套用各种型号规格的润滑泵、分配器、欢迎致电!