
欢迎访问启东富顺润滑设备有限公司网站!

一、使用条件
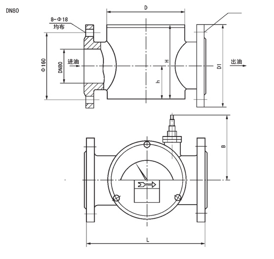
YXQ型油流发讯器用于稀油润滑系统。手动润滑泵通过它可直观地观察到油流流动状况并可通过其发讯装置发出油量不足或断流信号,从而实现远距离监视或控制,适用介质为粘度等级N22~N460的润滑油。通径DN10~50为螺纹连接,DN80为法兰连接。公称压力为0.4MPa
二、技术参数
三、外形尺寸
四、型号说明
五、电气参数
六、使用注意事项
1、油流方向与油流发讯器指示方向应相同。
2、开关需要通过负载后再接至电源,以免造成开关损坏。
3、输出形式如需常闭或输出电流有特殊要求在订货时应注明;若不注明接近开关型式,则配置PNP型直流三线型。
电话: 0513-83761288
手机: 133-0146-6566
地址:启东市寅阳镇寅北路一号

扫一扫二维码
专注压力等级40MPa以下干油润滑系统及配套用各种型号规格的润滑泵、分配器、欢迎致电!