
欢迎访问启东富顺润滑设备有限公司网站!

一、结构特点及应用范围
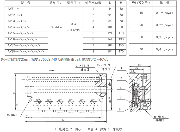
AVE型油气分配混合器,它是一种由铝合金材料制造的容积定量式结构的油气分配混合器,设有一个进油口、一个进气口、1~8个油气出口。双线分配器主要适用于单线卸压式油气润滑系统中。
二、技术参数
三、型号说明
四、动作说明
从进油口处进入的压力油,在油压的作用下件1下移,紧贴在件2上端面封住了通油通道,同时打开了进油通道向件3上腔充油,件3在油压作用下克服件4弹簧力向下移动,则件3下腔的油顶开件5进入混合腔,在压缩空气的作用下经混合后的油气从油气出口排出。供油主管卸荷后,件1上部油压低并且件3在件4的作用下向上回位,件3上腔充入的油经已打开的件2上端面流道孔进入件3下腔储存,为下一循环供油作好准备。各口的供气量可通过节流螺丝的开口大小进行调节。
五、使用要领
1、需要在规定的环境下使用规定范围的介质。
2、压缩空气接口需要与本油气系统专属的压缩空气网络管路连接,严禁与其它来历不明的气源管路连接,以免发生意外。
3、油气分配混合器的安装位置优先考虑安装在工况条件好,温差弯化小,无腐蚀性介质影响的部位,决不允许安装在长时间受高温辐射烘烤的场合使用。
电话: 0513-83761288
手机: 133-0146-6566
地址:启东市寅阳镇寅北路一号

扫一扫二维码
专注压力等级40MPa以下干油润滑系统及配套用各种型号规格的润滑泵、分配器、欢迎致电!