
欢迎访问启东富顺润滑设备有限公司网站!

一、概述
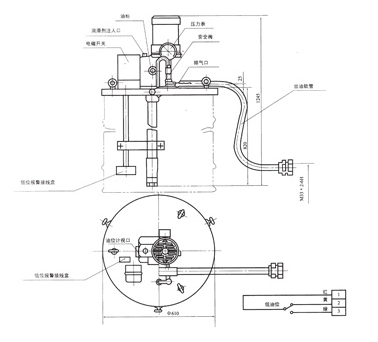
该电动适用于干油中,向贮油器内充填润滑剂,该泵为内藏式柱塞容积泵,双线分配器采用减速电机直接传动,带动偏心轮往复运动,实现吸压油功能。该泵运转平稳,输出压力高,设有低油位报警装置,能及时地向油筒内充填润滑脂。
二、技术参数
使用介质为锥入度不低于265(25℃,150g)1/10mm的润滑脂(NLGI0#~2#)或粘度等级大于N46的工业润滑油。
三、使用说明
1、在使用前,首先用〉N220润滑油加入减速箱腔内,加到高于油标位置。
2、按旋向箭头方向接线旋转。
3、输送的润滑剂需要干净,质地均匀,并在规定牌号范围内。
4、泵公称压力3MPa,出厂时已调好,不必再作调整。
5、出厂时配胶管内径为F13,对外连接螺纹为M33×2,如果润滑泵加油口连接螺纹为M32×3,则使用备用过渡接头。
6、本泵设有低位报警装置,报警后应及时地向油筒内充填润滑脂。
四、外形尺寸

五、故障及排除
1、无油排出:
a、润滑剂中带有空气,松开排气阀把润滑剂中空气排净,再拧紧排气阀。
b、吸油口给杂质卡住,不能吸、压油,清除吸油口杂质。
2、出油压力低:
a、泵中单向阀是否给杂质卡住或损坏,清洗单向阀杂质或 换。
b、检查各密封处及管路接头是否有泄漏, 换密封件,拧紧各接头。
六、备件
过渡接头(外螺纹M33×2/内螺纹M32×3)
电话: 0513-83761288
手机: 133-0146-6566
地址:启东市寅阳镇寅北路一号

扫一扫二维码
专注压力等级40MPa以下干油润滑系统及配套用各种型号规格的润滑泵、分配器、欢迎致电!