欢迎访问启东富顺润滑设备有限公司网站!
联系我们
0513-83761288
联系人:黄女士
座 机:0513-83761288
手 机:13301466566
网 址:www.steel163.com
邮 箱:hanxiaohai111@163.com
地 址:启东市寅阳镇寅北路北侧
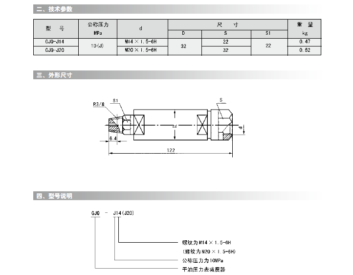
一、使用条件
GJQ型干油压力表面减震器适用于公称压力为10MPa的润滑系统中,安装在压力表前端,用来减少对压力表指针受压力电动干油泵润滑脂的影响而产生波动和防止润滑脂进入压力表。
DJB-H1.6型电动加油泵(...
LBZ型立式齿轮泵装置(0.6...
HB-P系列电动润滑泵及装置(...
VSG-KR系列双线分配器(4...
DRB-J系列电动润滑泵(10...
电话: 0513-83761288
手机: 133-0146-6566
地址:启东市寅阳镇寅北路一号
网站首页 合作案例
关于我们 新闻中心
产品中心 联系我们
扫一扫二维码
专注压力等级40MPa以下干油润滑系统及配套用各种型号规格的润滑泵、分配器、欢迎致电!