
欢迎访问启东富顺润滑设备有限公司网站!

一、使用条件
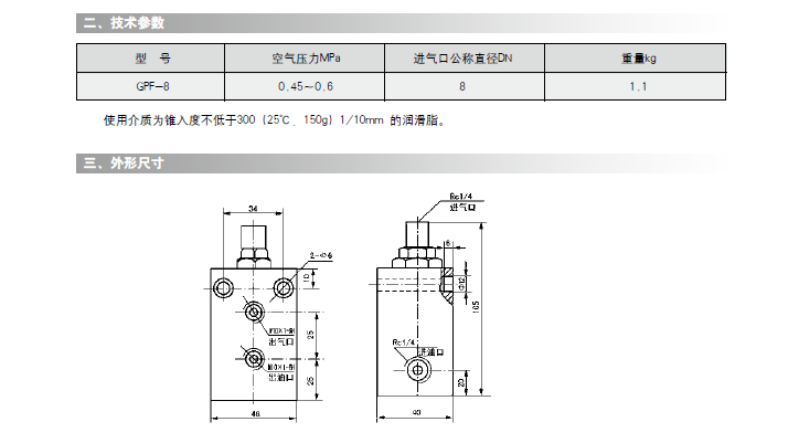
干油喷射控制阀适用于空气压力为0.45~0.6MP a 的干油喷射润滑系统中,用于控制油路和气路的干油喷射嘴。
该阀与干油喷射嘴配合使用,组成干油喷射润滑装置时,该阀与手动润滑泵连接长度不得大于1 米。
四、使用说明
1、使用的润滑脂电动干油泵必须经过过滤,质地均匀,并在规定的锥入度范围内。
2、进气管路中必须设置气动三联件,保证空气的洁净、干燥、衡压。
3、输剂管内不许进入空气,以免影响喷雾。
电话: 0513-83761288
手机: 133-0146-6566
地址:启东市寅阳镇寅北路一号

扫一扫二维码
专注压力等级40MPa以下干油润滑系统及配套用各种型号规格的润滑泵、分配器、欢迎致电!