
欢迎访问启东富顺润滑设备有限公司网站!

一、使用条件
用于电动环式集中润滑系统中,把泵输出的润滑脂交替送向两条供油主管。直接由供油主管末端的压力控制阀换向,换向的设定压力可以方便地调整,换向阀结构简单,动作可靠。
四、工作原理
右图是液压换向阀的工作原理示意图。图中T1~4口汇到同一个出口接贮油器。
位置1泵输出的润滑脂,从进油口S经主滑阀M P构成的通路被送向供油主管L1(管路Ⅰ),并且经先导滑阀Pp构成的通路加压力于主滑阀的左端。 供油主管L2经T1口向贮油器开放。
供油主管L1的末端与回油口R1连接,当末端的压力超过设定压力,则把先导滑阀推向右侧。
位置2先导滑阀P p移动到右侧,主滑阀M p的左腔经T3口向贮油器开放,泵输出的润滑脂加压于主滑阀的右端,将其推向左侧,与主滑阀连接的指示杆上的触头撞击行程开关LS,向电控柜发出信号使泵停止。
位置3主滑阀M p移动到左侧,完成换向动作,泵再次工作输出的润滑脂电动干油泵经主滑阀构成的通路被送向供油主管L2(管路Ⅱ),供油主管L1经T2口向贮油器开放。
六、使用说明
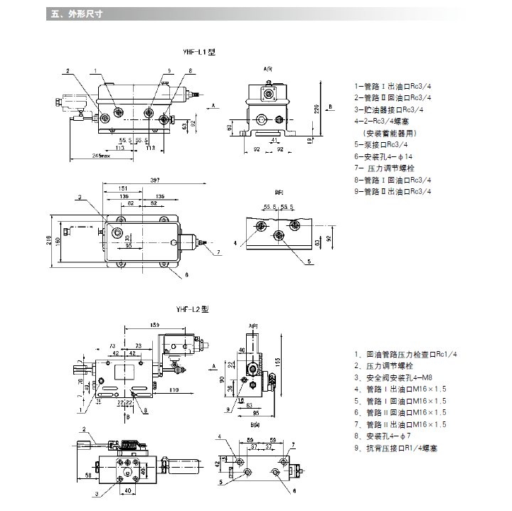
Y H F-L1型阀与流量585m l/m i n的泵相配,安装于底板上。Y H F-L2型阀与流量60和195m l/m i n的泵相配,安装于泵体上。
YHF-L1型阀调整螺丝右旋设定压力调高,左旋调低。YHF-L2型阀右旋设定压力调低,左旋调高。
从泵体上拆卸YHL-L2型阀和拆卸YHF-L1型阀的盖子时,应先将调整螺丝完全松开。
电话: 0513-83761288
手机: 133-0146-6566
地址:启东市寅阳镇寅北路一号

扫一扫二维码
专注压力等级40MPa以下干油润滑系统及配套用各种型号规格的润滑泵、分配器、欢迎致电!