
欢迎访问启东富顺润滑设备有限公司网站!

一、使用条件
双联冷却器按GB151 标准和参照西德AD 及美国TEMA标准设计和制造,电动干油泵采用全钢和部分黄铜结构,油侧工作压力1.6MPa,工作温度150℃,水侧工作压力1.0MPa,工作温度100℃。产品具有节能、高效、安全靠谱等优点;适用于汽轮发电机组、压缩机组、风机、泵组及石油化工行业上的油冷却系统,也可用于其它油冷却系统。
二、特点
1、表列数据为二流程列管式双联油冷却器,若需要可选用四流程、六流程、裸管或翅片冷却管的冷却器。
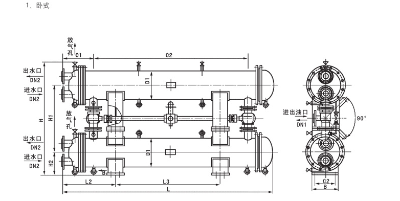
2、冷却器安装通常为卧式,如用户需要时可采用二种立式布置,一种进水室在下、另一种进水室在上,便于管束拆卸。
3、油水接口法兰标准按JB/T81-94,根据用户要求配非标法兰时应餍足配管要求。
4、根据AP Ⅰ 614 标准,冷却器采用双联结构,由二只相同面积的冷却器和三通阀装置构成,一只工作,一只备用,每个冷却器能承受整个系统的冷却负荷,管板一头固定,一头浮动,可拆卸的管束和水室箱盖,便于运行过程中清洗、检查和维修。冷却器的材质,根据使用场所、水系统条件可有多种选择,水室、壳体、三通阀可选碳钢或全不锈钢,管板可用碳钢、不锈钢或黄铜板;管子材料可选普通黄铜管H68、砷黄铜管HSn70-1A,铝黄铜管HA177-2A,不锈钢管1Cr18Ni9Ti、B10、B30 等。
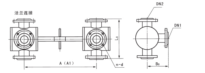
5、三通阀采用钢制焊接结构连续流转换阀。这种阀门在内部结构发生故障或阀门转换期间不会造成油路的中断。外形如图示。
三、型号标注
四、结构形成
五、外形尺寸
电话: 0513-83761288
手机: 133-0146-6566
地址:启东市寅阳镇寅北路一号

扫一扫二维码
专注压力等级40MPa以下干油润滑系统及配套用各种型号规格的润滑泵、分配器、欢迎致电!