
欢迎访问启东富顺润滑设备有限公司网站!

一、使用条件
EM型电动换向阀适用于公称压力为40M P a的干油集中润滑系统中,将润滑泵单线出口的压力润滑脂交替地通过主管道Ⅰ或Ⅱ送出去,组成一个完整的双线终端式干油集中润滑系统。
该换向阀是采用微型交流电机驱动,通过减速传动带动偏心连杆机构操纵滑芯移动,以开闭供油管道或转换供油方向的一种集成化的换向控制装置;它反应灵敏,启闭快速、动作可靠,可与电控箱配合使用对润滑系统进行自动控制。
三、 工作原理
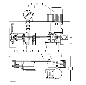
EM型电动换向阀主要由电动机,减速机构,偏心连杆机构,强簧机构,二位四通阀,限位开关,压力表等组成。
电动机经蜗轮蜗杆减速后,由偏心轮2带动连杆3 作直线往复运动电动干油泵。由于连杆末端所连动的弹簧机构4的作用,使二位四通阀5中的滑芯杆6产生急速的推拉动作,从而改变二位四通阀各油口的联接方式,达到液流换向的目的。此时,偏心轮旋转了180°到达另一个死点位置,触动了限位开关7。限位开关即可送出脉冲信号,停止阀电机运行,完成了一个工作过程。压力表8装于防护罩9顶部用于监视阀内的工作压力。
七、使用说明
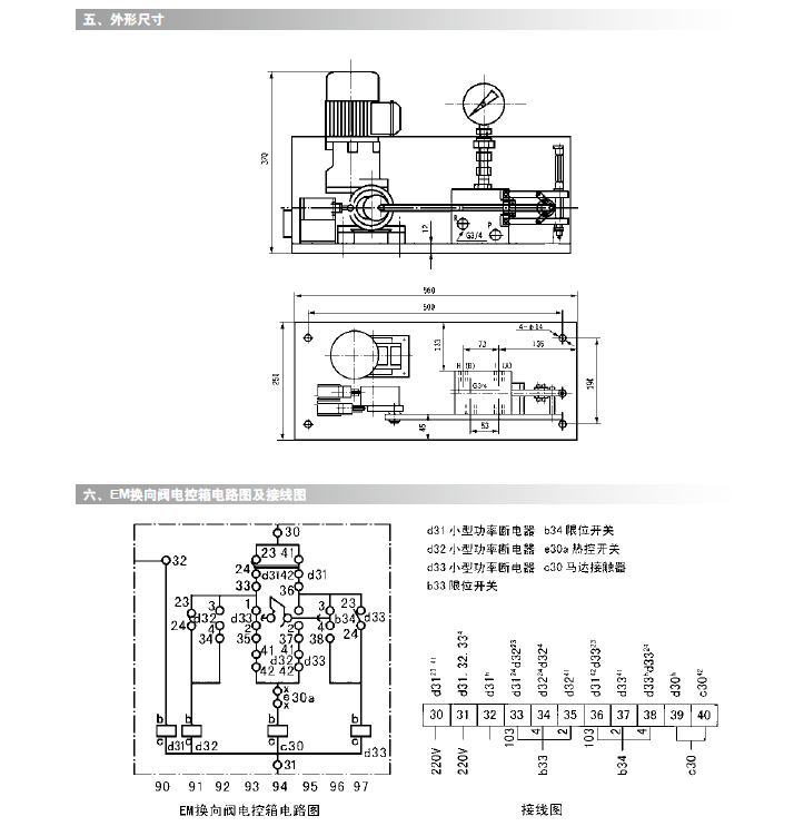
该阀应安装在系统被控主管路的前端,且位于通风、干燥、便于检查及周围无运动机构干涉的部位,使用前必须先打开外罩向减速箱内加入50#机械油至规定液面。
电话: 0513-83761288
手机: 133-0146-6566
地址:启东市寅阳镇寅北路一号

扫一扫二维码
专注压力等级40MPa以下干油润滑系统及配套用各种型号规格的润滑泵、分配器、欢迎致电!